體現在“省”與“好”的10W電源解決方案
隨著國內中小功率AC-DC隔離電源日趨成熟化,電源制造商對功率密度,性能和價格提出了進一步的需求,為此銀聯寶科技推出了新一款10W電源解決方案,通過高度集成外圍零件的方式來降低方案成本和縮減PCB版面積;同時利用多模式的開關控制技術提升整體方案的系統性能指標。
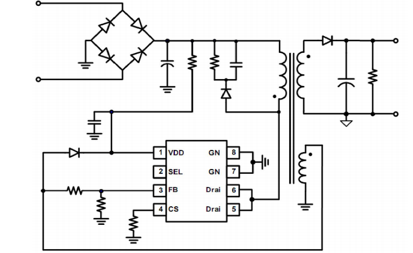
銀聯寶科技10W電源解決方案以原邊控制芯片U6117SA為代表,相對于市面既有的10W原邊控制芯片傳統方案,其特性主要體現在“省”與“好”。
從“省”的方面來說,典型應用原理圖對比如下:
10W電源解決方案U6117SA是一款多模式(MulTI-Mode)控制的高精度原邊反饋控制(PSR)恒流恒壓(CC/CV)控制器。這款芯片內置功率MOS,大限度地減少了系統元件的數目,用頻率調制方法來提高系統效率和減小電磁干擾。內置環路補償,可以省去額外的補償或濾波電容,還內置線纜壓降補償,由此取得良好的負載調整率。
10W電源解決方案U6117SA的特點:
1)專利QR控制,提高系統效率,異音。
2)內置頻率抖動EMI。
3)內置高低壓過流補償。
4)內置軟啟動,啟動電流,管腳浮空保護。
5)內置專利的線損補償,提高量產精度。
6)內置反饋腳(FB)短路保護
7)原邊反饋,內置MOSFET,采用SOP-8的形式
體現在“省”與“好”的10W電源解決方案不單單只有這一款,更多的相關資料,找銀聯寶科技。
銀聯寶科技10W電源解決方案以原邊控制芯片U6117SA為代表,相對于市面既有的10W原邊控制芯片傳統方案,其特性主要體現在“省”與“好”。
從“省”的方面來說,典型應用原理圖對比如下:
10W電源解決方案U6117SA是一款多模式(MulTI-Mode)控制的高精度原邊反饋控制(PSR)恒流恒壓(CC/CV)控制器。這款芯片內置功率MOS,大限度地減少了系統元件的數目,用頻率調制方法來提高系統效率和減小電磁干擾。內置環路補償,可以省去額外的補償或濾波電容,還內置線纜壓降補償,由此取得良好的負載調整率。
10W電源解決方案U6117SA的特點:
1)專利QR控制,提高系統效率,異音。
2)內置頻率抖動EMI。
3)內置高低壓過流補償。
4)內置軟啟動,啟動電流,管腳浮空保護。
5)內置專利的線損補償,提高量產精度。
6)內置反饋腳(FB)短路保護
7)原邊反饋,內置MOSFET,采用SOP-8的形式
體現在“省”與“好”的10W電源解決方案不單單只有這一款,更多的相關資料,找銀聯寶科技。
下一篇:銀聯寶科技PD快充協議IC簡述
上一篇:銀聯寶月量出貨多的是哪顆電源芯片呢?