手機常用的快充QC3.0協議IC,你了解多少呢?
QC3.0是QC2.0的升級版,大改進是QC3.0支持輸出電壓為0.2V變量為一檔進行變化。QC2.0只支持四組固定的電壓輸出,而QC3.0支持輸出電壓在3.6V到20V。
同樣QC3.0協議也有ClassA和ClassB,ClassA標準的QC3.0支持輸出電壓在3.6V12V變化,ClassB標準的QC3.0支持輸出電壓在3.6V20V變化,同樣市場上的充電器、充電寶都是以ClassA標準為主的。
今天小編給大家推薦一款手機常用的快充QC3.0協議IC U2601是一款 USB 端口快速充電協議控制芯片。智能識別多種快速充電協議,對手機等受電設備進行快速充電。U2601根據受電設備發送的電壓請求能夠精確的調整VBUS 輸出電壓,從而實現快速充電。
快充QC3.0協議IC U2601在調整 5V 輸出電壓前會自動檢測連接的設備是否支持蘋果快充協議。如果支持,蘋果設備會以大電流充電。如果不支持,會接著檢測是否支持調壓快充協議。如果連接的設備不支持調壓快充協議,U2601 將禁止輸出電壓調整,并配置供電設備為 USB DCP,確保受電設備并獲取大電流充電。如果支持調壓快充協議,則開始接受請求指令進行輸出電壓的調整。
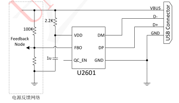
U2601 可通過 QC_EN 開啟或關閉高壓快充功能,使得應用更靈活。 采用 SOT23-6 封裝。
腳位分析:
1腳DP USB正數據線。
2腳GND地線接地。
3腳FB反饋輸出。電流源/灌電流輸出。
4腳QC_EN 不同狀態時有不同的功能。HIGH啟用快速充電(1),響應電壓為3.6V?12V;H-Z還啟用快速充電,在2601F中響應電壓為3.6V?9V,而在2601Q中為3.6V?12V;LOW禁用快速充電。
5腳VDD 電源。
6腳DM USB負極數據線。
以上都只是簡單介紹一下手機常用的快充QC3.0協議IC U2601的知識,想深入了解更多資料可聯系銀聯寶科技要資料。
同樣QC3.0協議也有ClassA和ClassB,ClassA標準的QC3.0支持輸出電壓在3.6V12V變化,ClassB標準的QC3.0支持輸出電壓在3.6V20V變化,同樣市場上的充電器、充電寶都是以ClassA標準為主的。
今天小編給大家推薦一款手機常用的快充QC3.0協議IC U2601是一款 USB 端口快速充電協議控制芯片。智能識別多種快速充電協議,對手機等受電設備進行快速充電。U2601根據受電設備發送的電壓請求能夠精確的調整VBUS 輸出電壓,從而實現快速充電。
快充QC3.0協議IC U2601在調整 5V 輸出電壓前會自動檢測連接的設備是否支持蘋果快充協議。如果支持,蘋果設備會以大電流充電。如果不支持,會接著檢測是否支持調壓快充協議。如果連接的設備不支持調壓快充協議,U2601 將禁止輸出電壓調整,并配置供電設備為 USB DCP,確保受電設備并獲取大電流充電。如果支持調壓快充協議,則開始接受請求指令進行輸出電壓的調整。
U2601 可通過 QC_EN 開啟或關閉高壓快充功能,使得應用更靈活。 采用 SOT23-6 封裝。
腳位分析:
1腳DP USB正數據線。
2腳GND地線接地。
3腳FB反饋輸出。電流源/灌電流輸出。
4腳QC_EN 不同狀態時有不同的功能。HIGH啟用快速充電(1),響應電壓為3.6V?12V;H-Z還啟用快速充電,在2601F中響應電壓為3.6V?9V,而在2601Q中為3.6V?12V;LOW禁用快速充電。
5腳VDD 電源。
6腳DM USB負極數據線。
以上都只是簡單介紹一下手機常用的快充QC3.0協議IC U2601的知識,想深入了解更多資料可聯系銀聯寶科技要資料。