-
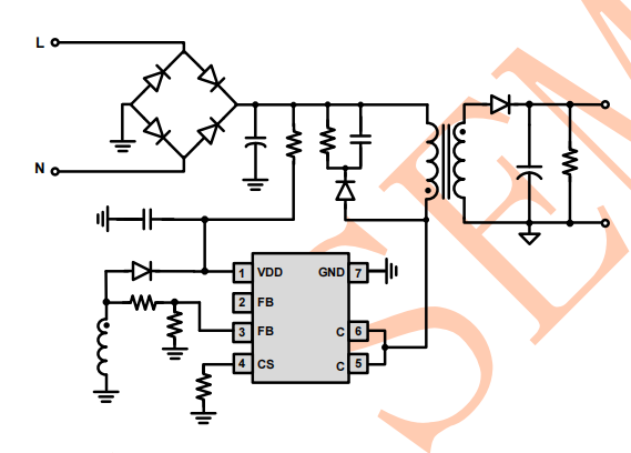
友恩U9513開關電源芯片
谷底開通、原邊控制、系統效率高
多模式原邊控制方式
優異的動態響應
集成動態三極管驅動電路
優化的 EMI 性能全國服務熱線:13316805165
友恩U9513開關電源芯片是一款高性能、低成本的原邊控制功率開關,內置高壓功率三極管,可提供高精度恒壓和恒流輸出性能,尤其適合于小功率離線式充電器應用。采用U9513可以工作無異音,同時可保證優異的動態性能。利用集成的線損補償功能,可獲得高性能的恒壓輸出表現。
友恩U9513開關電源芯片片集成有多種保護功能:如VDD欠壓保護(UVLO)、VDD過壓保護(OVP)、逐周期限流保護(OCP)、短路保護(FBSLP)、輸出過壓保護(FBOVP)、過熱保護(OTP)和VDD箝位等。U9513還集成有電源系統單點失效保護,在FB上拉電阻開路、FB下拉電阻開路、FB下拉電阻短路、輸出二極管或者SR開路、輸出二極管或者SR短路、變壓器繞組短路、RCS開路等故障條件下均能實現保護。
友恩U9513開關電源芯片主要特點:
●內置超高壓功率BTJ
●谷底開通、原邊控制、系統效率高
●多模式原邊控制方式
●優異的動態響應
●集成動態三極管驅動電路
●工作無異音
●優化的EMI性能
●恒流、恒壓調整率小于±5%
●超低待機功耗<30mW
●CV模式可編程輸出線壓降補償
●內置完善的保護功能:
輸出短路保護(FBSLP)
逐周期限流保護(OCP)
前沿消隱(LEB)
芯片過溫保護(OTP)
VDD過壓、欠壓和箝位保護
輸出過壓保護功能(FBOVP)
●SOP-7封裝
友恩U9513開關電源芯片典型輸出功率(85—264Vac):
●U9513A:12W
●U9513B:10W
●U9513C:7.5W
●U9513D:6W
●U9513E:5W
技術團隊,溝通

有從事電源行業20年以上經驗的應用工程師團隊;
工程師擁有一線電源大廠從事研發電源方案經歷,曾服務冠德,茂碩,航嘉等公司;
研發部門由一批海歸博士和國內高校從事電源研發芯片資深研究人員組成;
多項電源方案應用性專利,創新技術

銀聯寶強大的研發團隊,積累了眾多一線電源應用方案經驗,研發成果榮獲多項電源方案應用性專利,可為企業定制性能更優的解決方案。
一線精良設備,精密檢測

銀聯寶擁有電子負載儀、 EMI測試設備、雷擊測試儀、ESD測試儀 AC電源、功率計、示波器、高低溫測試等精良設備,為電源方案設計提供品質保障。
精細化服務,貼心周到

銀聯寶提供電源DEMO設計整套方案,包括方案認證,EMI測試調機樣機測試承認,小批量產跟線服務,批量出廠后質量反饋跟蹤。為中小電源廠提供工廠管理工藝標準流程,根據需求開發優化的電源方案定制方案,并提供整套方案調試,符合安規要求。
深圳市銀聯寶電子科技有限公司
全國咨詢熱線:13316805165
傳真:0755-23086550
QQ:3410408081
郵箱:001@elanpo.com
地址:廣東省深圳市寶安區寶安大道4018號華豐國際商務大廈2501-2508

采購:友恩U9513開關電源芯片
- *聯系人:
- *手機:
- 公司名稱:
- 郵箱:
- *采購意向:
-
*驗證碼:
跟此產品相關的產品 / Related Products

深圳市銀聯寶電子科技有限公司
服務熱線:13316805165
傳真:0755-23086550
QQ:3410408081
地址:廣東省深圳市寶安區寶安大道4018號華豐國際商務大廈2501-2508