-
原邊18W開關電源芯片TB6818
原邊反饋/內置MOSFET
內置環路補償,省去額外的補償或濾波電容
提高系統效率優化降頻曲線和減小電磁干擾,可實現輕載無異音
多模(Multi-Mode)控制的高精度原邊反饋控制(PSR)恒流恒壓(CC/CV)控制器全國服務熱線:13316805165
AC-DC開關電源方案選型表 | ||||||||
產品型號 <超鏈接> |
電路拓補 | 功率管耐壓 (V) | 導通電阻(Ω) | 待機功耗 (mW) | IC大輸出功率(W) | 工作頻率(KHZ) | 典型應用 | 封裝 |
TB5806A | 原邊反饋/內置BJT | 700 | / | <75 | 6W | 40--70 | 5V 1.2A | SOP-7 |
TB5806B | 原邊反饋/內置BJT | 700 | / | <75 | 5W | 40--70 | 5V 1.0A | SOP-7 |
TB5806C |
原邊反饋/內置BJT |
700 | / | <75 | 2.5W | 40--70 | 5V 0.5A | SOP-7 |
TB5812A | 原邊反饋/內置BJT | 800 | / | <75 | 10W | 40--70 | 5V 2.0A | SOP-7 |
TB5812B |
原邊反饋/內置BJT |
600 | / | <75 | 7.5W | 40--70 | 5V 1.5A | SOP-7 |
TB6818 | 原邊反饋/內置MOS | 650 | 2.6 Ω | <75 | 18W | 40--70 | 12V 1.5A | SOP-8 |
TB6806S |
原邊反饋/內置MOS |
600 | 12Ω | <75 | 6W | 40--70 | 5V 1.0A | SOP-8 |
TB6806SA | 原邊反饋/內置MOS | 600 | 4.5Ω | <75 | 10W | 40--70 | 5V 2.0A | SOP-8 |
TB6806D | 原邊反饋/內置MOS | 600 | 4.5Ω | <75 | 12W | 40--70 | 12V 1.0A | DIP-8 |
TB6812 | 原邊反饋/內置MOS |
650 |
2.6Ω | <75 | 12W | 40--70 | 12V1.0A | SOP-7 |
TB6810 | 原邊反饋/外置BJT | 外置BJT | / | <75 | 10W | 40--70 | 5V 2A | SOT23-5 |
TB6825 |
原邊反饋/外驅MOS |
外驅MOSFET |
/ | <75 | 20W | 40--70 | 12V 1.5A | SOT23-6 |
TB3815 | 副邊反饋/內置MOS | 650 | 4Ω | <75 | 15W | 65 | 12V 1A | DIP-8 |
TB3865 | 副邊反饋/外驅MOS | 外驅MOSFET | / | <75 | 65W | 65 | 12V 5A | SOT23-6 |
TB3890D | 副邊反饋/外驅MOS |
外驅MOSFET |
/ | <75 | 90W | 65 | 12V 5A | DIP-8 |
TB3890S | 副邊反饋/外驅MOS | 外驅MOSFET | / | <75 | 90W | 65 | 12V 5A | SOP-8 |
其它熱銷產品 |
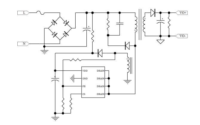
電路圖
TB6818六級能效測試數據
EMI測試數據
TB6818的輻射測試圖
技術團隊,溝通

有從事電源行業20年以上經驗的應用工程師團隊;
工程師擁有一線電源大廠從事研發電源方案經歷,曾服務冠德,茂碩,航嘉等公司;
研發部門由一批海歸博士和國內高校從事電源研發芯片資深研究人員組成;
多項電源方案應用性專利,創新技術

銀聯寶強大的研發團隊,積累了眾多一線電源應用方案經驗,研發成果榮獲多項電源方案應用性專利,可為企業定制性能更優的解決方案。
一線精良設備,精密檢測

銀聯寶擁有電子負載儀、 EMI測試設備、雷擊測試儀、ESD測試儀 AC電源、功率計、示波器、高低溫測試等精良設備,為電源方案設計提供品質保障。
精細化服務,貼心周到

銀聯寶提供電源DEMO設計整套方案,包括方案認證,EMI測試調機樣機測試承認,小批量產跟線服務,批量出廠后質量反饋跟蹤。為中小電源廠提供工廠管理工藝標準流程,根據需求開發優化的電源方案定制方案,并提供整套方案調試,符合安規要求。
深圳市銀聯寶電子科技有限公司
全國咨詢熱線:13316805165
傳真:0755-23086550
QQ:3410408081
郵箱:001@elanpo.com
地址:廣東省深圳市寶安區寶安大道4018號華豐國際商務大廈2501-2508

采購:原邊18W開關電源芯片TB6818
- *聯系人:
- *手機:
- 公司名稱:
- 郵箱:
- *采購意向:
-
*驗證碼:
跟此產品相關的產品 / Related Products
- 原邊12W開關電源芯片TB6806D
效率滿足六級能效要求
低待機功耗小于75mW
原邊反饋,內置600V 功率MOSFET
QR-PSR控制提高工作效率
±4%恒壓恒流精度,多模式PSR控制
- 原邊5W開關電源芯片TB6806S
效率滿足六級能效要求
低待機功耗小于75mW
內置600V 功率MOSFET
QR-PSR控制提高工作效率
- 原邊15W開關電源芯片U6118
原邊反饋/外驅三極管
支持高50V輸出電壓
內置專利的線損電壓補償,提高量產精度
自動補償輸入電壓、電感感量變化,實現高精度
內置軟啟動,啟動電流,管腳浮空保護
相關資訊

深圳市銀聯寶電子科技有限公司
服務熱線:13316805165
傳真:0755-23086550
QQ:3410408081
地址:廣東省深圳市寶安區寶安大道4018號華豐國際商務大廈2501-2508