-
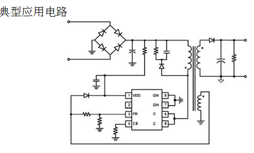
U6115S電源ic
封裝引腳:SOP-8
700V BJT驅動器集成的驅動器
待機<70mW
±4%CC和CV精度
集成線損補償技術全國服務熱線:13316805165
U6115S電源ic是一款低成本、高性能的原邊反饋(PSR)控制器,適用于離線小功率變流器應用,可提供非常緊湊的輸出電壓調節(CV)和輸出電流控制(CC),是充電應用的理想選擇。
在CV模式下,U6115S電源ic采用多模式控制,采用AM(調幅)模式和(調頻)FM模式的混合模式,以提高CC模式下的系統效率和可靠性,集成電路采用帶線路和負載CC補償的PFM控制。該集成電路可以實現音頻無噪聲運行和優化的動態響應。內置的電纜跌落補償(CDC)功能可提供優異的CV性能。U6115S電源ic應用領域:
手機電池充電器
AC/DC電源適配器和LED驅動器
U6115S電源ic封裝引腳:SOP-8
U6115S電源ic特點:
與700V BJT驅動器集成的驅動器
多模式PSR控制
無噪音無異音
待機<70mW
±4%CC和CV精度
集成線損補償技術
內置交流線路和負載CC補償
內置保護裝置
U6115S電源ic特征有助于工程師方便地設計開關電源。開關電源設計本身就是一項耗時的工作,需要大量的設計變量進行權衡和迭代。欲知更多電源ic方案,請搜索銀聯寶電子電源ic咨詢了解更多。

技術團隊,溝通

有從事電源行業20年以上經驗的應用工程師團隊;
工程師擁有一線電源大廠從事研發電源方案經歷,曾服務冠德,茂碩,航嘉等公司;
研發部門由一批海歸博士和國內高校從事電源研發芯片資深研究人員組成;
多項電源方案應用性專利,創新技術

銀聯寶強大的研發團隊,積累了眾多一線電源應用方案經驗,研發成果榮獲多項電源方案應用性專利,可為企業定制性能更優的解決方案。
一線精良設備,精密檢測

銀聯寶擁有電子負載儀、 EMI測試設備、雷擊測試儀、ESD測試儀 AC電源、功率計、示波器、高低溫測試等精良設備,為電源方案設計提供品質保障。
精細化服務,貼心周到

銀聯寶提供電源DEMO設計整套方案,包括方案認證,EMI測試調機樣機測試承認,小批量產跟線服務,批量出廠后質量反饋跟蹤。為中小電源廠提供工廠管理工藝標準流程,根據需求開發優化的電源方案定制方案,并提供整套方案調試,符合安規要求。
深圳市銀聯寶電子科技有限公司
全國咨詢熱線:13316805165
傳真:0755-23086550
QQ:3410408081
郵箱:001@elanpo.com
地址:廣東省深圳市寶安區寶安大道4018號華豐國際商務大廈2501-2508

采購:U6115S電源ic
- *聯系人:
- *手機:
- 公司名稱:
- 郵箱:
- *采購意向:
-
*驗證碼:
跟此產品相關的產品 / Related Products

深圳市銀聯寶電子科技有限公司
服務熱線:13316805165
傳真:0755-23086550
QQ:3410408081
地址:廣東省深圳市寶安區寶安大道4018號華豐國際商務大廈2501-2508