-
PFC肖特基 PTR10100CTB
在相同的VR、IR和晶片尺寸下,VF較低
在相同的額定VR、VF和IF下,電流密度較大
在相同的EPI和晶片尺寸下,漏電電流較少
在較高的反向電壓下,開關速度更快全國服務熱線:13316805165
Part number <超鏈接> |
Type | VF Level | Die | IF (A) | VB (V) | VF(V) 25℃ | IR(uA) 25℃ | VF(V) 125℃ | IR(mA) 125℃ | Package | IFSM(A) | Tj (℃) |
P5L45F-A | MOS Schottky | L | 1 | 5 | 45 | 0.51 | 300 | TBD | 35 | SMAF-A | 150 | -65~150 |
PFS5L40 | MOS Schottky | L | 1 | 5 | 40 | 0.47 | 500 | 0.4 | 100 | DO-201AD | 150 | -65~150 |
PFS5A60 | MOS Schottky | A | 1 | 5 | 60 | 0.6 | 500 | 0.56 | 100 | DO-201AD | 150 | -65~150 |
PTS5L100 | SLVF Schottky | L | 1 | 5 | 100 | 0.78 | 200 | 0.69 | 15 | DO-201AD | 130 | -40~150 |
PFS5L150 | MOS Schottky | L | 1 | 5 | 150 | 0.86 | 100 | 0.73 | 20 | DO-201AD | 150 | -65~150 |
PFS5L200 | MOS Schottky | L | 1 | 5 | 200 | 0.89 | 100 | 0.76 | 10 | DO-201AD | 150 | -65~175 |
P10V45SP | MOS Schottky | V | 1 | 10 | 45 | 0.47 | 300 | 0.42 | 75 | TO-277 | 275 | -65~150 |
PFS10L60 | MOS Schottky | L | 1 | 10 | 60 | 0.56 | 500 | 0.53 | 100 | DO-201AD | 200 | -65~150 |
PFR10L60CT | MOS Schottky | L | 2 | 10 | 60 | 0.52 | 500 | 0.47 | 100 | TO-220AB | 150 | -65~150 |
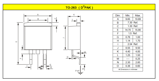
PTR10100CTB | SLVF Schottky | S | 2 | 10 | 100 | 0.79 | 100 | 0.69 | 15 | TO-263AB | 100 | -40~150 |
PFR10L200CTF | MOS Schottky | L | 2 | 10 | 200 | 0.86 | 100 | 0.76 | 10 | ITO-220AB | 150 | -65~175 |
PFR10L300CTF | MOS Schottky | L | 2 | 10 | 300 | 0.92 | 100 | 0.8 | 10 | ITO-220AB | 150 | -65~175 |
P15V50SP | MOS Schottky | V | 1 | 15 | 50 | 0.51 | 500 | 0.49 | 100 | TO-277 | 275 | -65~150 |
PFR2045CT | MOS Schottky | S | 2 | 20 | 45 | 0.54 | 500 | 0.52 | 100 | TO-220AB | 150 | -65~150 |
PFR20V45CT | MOS Schottky | V | 2 | 20 | 45 | 0.47 | 500 | 0.42 | 100 | TO-220AB | 180 | -65~150 |
PFR2060CTF | MOS Schottky | S | 2 | 20 | 60 | 0.7 | 500 | 0.65 | 100 | ITO-220AB | 150 | -65~150 |
PTR20L80CT | SLVF Schottky | L | 2 | 20 | 80 | 0.67 | 300 | 0.64 | 20 | TO-220AB | 150 | -40~150 |
PTR20100CTB | SLVF Schottky | S | 2 | 20 | 100 | 0.82 | 100 | 0.7 | 25 | TO-263AB | 150 | -40~150 |
PTR20100CT | SLVF Schottky | S | 2 | 20 | 100 | 0.82 | 100 | 0.7 | 25 | TO-220AB | 150 | -40~150 |
PTR20100CTF | SLVF Schottky | S | 2 | 20 | 100 | 0.82 | 100 | 0.7 | 25 | ITO-220AB | 150 | -40~150 |
PTR20L100CT | SLVF Schottky | L | 2 | 20 | 100 | 0.79 | 200 | 0.66 | 22 | TO-220AB | 150 | -40~150 |
PT20L100D | SLVF Schottky | L | 2 | 20 | 100 | 0.79 | 100 | 0.68 | 30 | TO-252 | 180 | -40~150 |
PTR20V100CT | SLVF Schottky | V | 2 | 20 | 100 | 0.67 | 100 | 0.6 | 40 | TO-220AB | 150 | -40~150 |
PFR20L200CT | MOS Schottky | L | 2 | 20 | 200 | 0.86 | 100 | 0.76 | 10 | TO-220AB | 180 | -65~175 |
PFR30L60CTF | MOS Schottky | L | 2 | 30 | 60 | 0.6 | 500 | 0.56 | 100 | ITO-220AB | 250 | -65~150 |
PTR30L80CT | SLVF Schottky | L | 2 | 30 | 80 | 0.7 | 200 | 0.61 | 30 | TO-220AB | 220 | -40~150 |
PTR30L80CTF | SLVF Schottky | L | 2 | 30 | 80 | 0.7 | 200 | 0.61 | 30 | ITO-220AB | 220 | -40~150 |
技術團隊,溝通

有從事電源行業20年以上經驗的應用工程師團隊;
工程師擁有一線電源大廠從事研發電源方案經歷,曾服務冠德,茂碩,航嘉等公司;
研發部門由一批海歸博士和國內高校從事電源研發芯片資深研究人員組成;
多項電源方案應用性專利,創新技術

銀聯寶強大的研發團隊,積累了眾多一線電源應用方案經驗,研發成果榮獲多項電源方案應用性專利,可為企業定制性能更優的解決方案。
一線精良設備,精密檢測

銀聯寶擁有電子負載儀、 EMI測試設備、雷擊測試儀、ESD測試儀 AC電源、功率計、示波器、高低溫測試等精良設備,為電源方案設計提供品質保障。
精細化服務,貼心周到

銀聯寶提供電源DEMO設計整套方案,包括方案認證,EMI測試調機樣機測試承認,小批量產跟線服務,批量出廠后質量反饋跟蹤。為中小電源廠提供工廠管理工藝標準流程,根據需求開發優化的電源方案定制方案,并提供整套方案調試,符合安規要求。
深圳市銀聯寶電子科技有限公司
全國咨詢熱線:13316805165
傳真:0755-23086550
QQ:3410408081
郵箱:001@elanpo.com
地址:廣東省深圳市寶安區寶安大道4018號華豐國際商務大廈2501-2508

采購:PFC肖特基 PTR10100CTB
- *聯系人:
- *手機:
- 公司名稱:
- 郵箱:
- *采購意向:
-
*驗證碼:
跟此產品相關的產品 / Related Products

深圳市銀聯寶電子科技有限公司
服務熱線:13316805165
傳真:0755-23086550
QQ:3410408081
地址:廣東省深圳市寶安區寶安大道4018號華豐國際商務大廈2501-2508